产品中心
PRODUCT CENTER
|
HT105028-028-G10空气马达用高速滑环该高速旋转信号传输技术专门为空气马达动应力测试研发,采用汉唐自主研发油冷循环技术,整体浇筑主轴核心发明专利技术,已多次成功应用于国家重点试验机项目上。
收藏
商品说明
1、汉唐的核心技术-摩擦副技术:金-金接触技术,保证超长使用寿命; 2、精密零部件制造工艺:尺寸公差<0.01mm,精度高,性能更稳定; 3、先进刷丝调制工艺:接近于零工作压力的电刷设计和调试工艺,滑环寿命延长了1/3; 4、汉唐独特的“鲨鱼鳍”转接座设计,可有效减少压缩空气阻力; 5、配备泄压排气孔,可将设备泄漏气体排出到设备外壳外面; 6、配备冷却液接口,可将冷却液流通对滑环进行冷却以及工作过程产生的碎屑清除; 7、定子出线采用汉唐独家工艺设计的保护管,可有效避免风阻对导线的影响; 8、滑环整体采用304不锈钢金属结构,密封性强,适应于极恶劣的环境。 技术参数
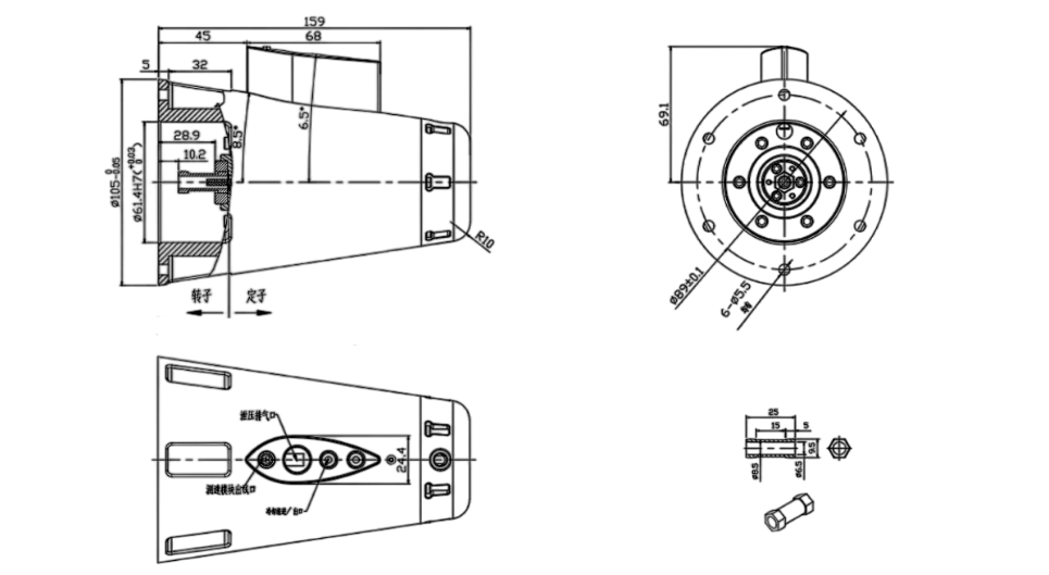
技术图纸
应用案例:主要应用于空气马达高速旋转动态应力、动态温度、动态压力测量等。 |

